Product Summary
The BCW66KH E6327 is an NPN Silicon AF Transistor.
Parametrics
BCW66KH E6327 absolute maximum ratings: (1)Collector-emitter voltage, VCEO: 45 V; (2)Collector-base voltage, VCBO: 75 V; (3)Emitter-base voltage, VEBO: 5 V; (4)Collector current, IC: 800 mA; (5)Peak collector current, ICM: 1 A; (6)Base current, IB: 100 mA; (7)Peak base current, IBM: 200 mA; (8)Total power dissipation, TS ≤ 115℃, Ptot: 500 mW; (9)Junction temperature, Tj: 150℃; (10)Storage temperature, Tstg: -65 to 150℃.
Features
BCW66KH E6327 features: (1)For general AF applications; (2)High current gain; (3)Low collector-emitter saturation voltage; (4)Complementary type: BCW68 (PNP); (5)Pb-free (RoHS compliant) package; (6)Qualified according AEC Q101.
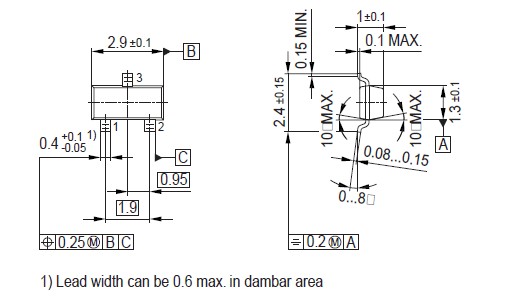
Diagrams

![]() |
![]() BCW60 |
![]() Other |
![]() |
![]() Data Sheet |
![]() Negotiable |
|
||||
![]() |
![]() BCW60A |
![]() Fairchild Semiconductor |
![]() Transistors Bipolar (BJT) NPN/ 32V/ 100mA |
![]() Data Sheet |
![]() Negotiable |
|
||||
![]() |
![]() BCW60A_D87Z |
![]() Fairchild Semiconductor |
![]() Transistors Bipolar (BJT) NPN Si Transistor Epitaxial |
![]() Data Sheet |
![]() Negotiable |
|
||||
![]() |
![]() BCW60ALT1 |
![]() Other |
![]() |
![]() Data Sheet |
![]() Negotiable |
|
||||
![]() |
![]() BCW60AMTF |
![]() Fairchild Semiconductor |
![]() Transistors Bipolar (BJT) SOT-23 NPN GP AMP |
![]() Data Sheet |
![]() Negotiable |
|
||||
![]() |
![]() BCW60ATA |
![]() Diodes Inc. / Zetex |
![]() Transistors Bipolar (BJT) - |
![]() Data Sheet |
![]() Negotiable |
|
||||
(Hong Kong)










