Product Summary
The EKY-500ELL272MM40S is a miniature aluminum electrolytic capacitor.
Parametrics
EKY-500ELL272MM40S absolute maximum ratings: (1)catergory temperature range: -40 to +105℃; (2)rated voltage range: 6.3 to 50Vdc; (3)capacitance tolerance: ±20%.
Features
EKY-500ELL272MM40S features: (1)Newly innovative electrolyte is employed to minimize ESR; (2)Endurance with ripple current: 4000 to 10000 hours at 105℃; (3)Non solvent-proof type; (4)Pb-free design.
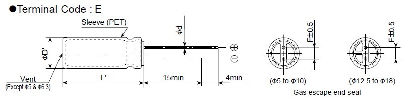
Diagrams

| Image | Part No | Mfg | Description | ![]() |
Pricing (USD) |
Quantity | ||||||||||||
|---|---|---|---|---|---|---|---|---|---|---|---|---|---|---|---|---|---|---|
![]() |
![]() EKY-500ELL272MM40S |
![]() United Chemi-Con |
![]() Aluminum Electrolytic Capacitors - Leaded 50volts 2700uF 18X40 |
![]() Data Sheet |
![]()
|
|
||||||||||||
| Image | Part No | Mfg | Description | ![]() |
Pricing (USD) |
Quantity | ||||||||||||
![]() |
![]() EKY-100ELL101ME11D |
![]() United Chemi-Con |
![]() Aluminum Electrolytic Capacitors - Leaded 10volts 100uF 5X11 |
![]() Data Sheet |
![]()
|
|
||||||||||||
![]() |
![]() EKY-100ELL102MH20D |
![]() United Chemi-Con |
![]() Aluminum Electrolytic Capacitors - Leaded 10volts 1000uF 8X20 |
![]() Data Sheet |
![]()
|
|
||||||||||||
![]() |
![]() EKY-100ELL102MJ16S |
![]() United Chemi-Con |
![]() Aluminum Electrolytic Capacitors - Leaded 10volts 1000uF 10X16 |
![]() Data Sheet |
![]()
|
|
||||||||||||
![]() |
![]() EKY-100ELL152MK15S |
![]() United Chemi-Con |
![]() Aluminum Electrolytic Capacitors - Leaded 10volts 1500uF 12.5X15 |
![]() Data Sheet |
![]()
|
|
||||||||||||
![]() |
![]() EKY-100ELL221MF11D |
![]() United Chemi-Con |
![]() Aluminum Electrolytic Capacitors - Leaded 10volts 220uF 6.3X11 |
![]() Data Sheet |
![]()
|
|
||||||||||||
![]() |
![]() EKY-100ELL332MK25S |
![]() United Chemi-Con |
![]() Aluminum Electrolytic Capacitors - Leaded 10volts 3300uF 12.5X25 |
![]() Data Sheet |
![]()
|
|
||||||||||||
(Hong Kong)









